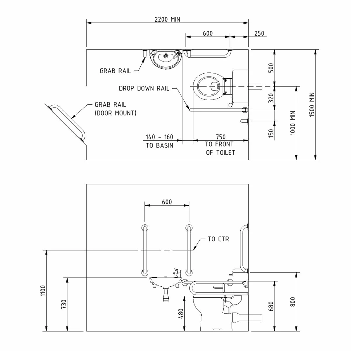
When you run a commercial building, you are going to want to make sure that everyone who uses the facilities is as safe as they can possibly be. This means that you will want to ensure that your bathroom has everything that is needed to keep those who have mobility issues safe. This complete set from Nymas is exactly what you need.
The pack includes 5x600mm steel grab rails as well as 1 lift and lock steel hinged rail. These are the safety aspects of the set. It then comes with a close coupled WC Pan and cistern as well as a toilet only seat.
If that wasn’t enough then it even comes with a two tap hole basin with a basin mixer tap and a tap hole cover too. This set will really make sure that your bathroom space is safe and ready for everyone to use.
Product Features
- Image is for illustration purposes only
- Complies with Part M of the Building Regulations
- WRAS approved inlet valve and syphon
- Universal – suitable for left or right handed transfer
- Simple one box solution
- Pack Includes:
- 5 x 600mm coated steel grab rails with exposed fixings
- 1 x 800mm coated steel hinged support rail with toilet roll holder
- 1 x Close coupled box rim Doc M pan
- 1 x Close coupled cistern with fittings and Doc M spatula lever
- 1 x Ring only toilet seat
- 1 x Two tap hole basin
- 1 x Sequential basin mixer tap
- 1 x Tap hole stopper
- 1 x Basin waste
- Guarantee: Lifetime on Toilet and Basin (2 Years on Toilet Seat, Grab Rails, Basin Mixer Tap)















Reviews
There are no reviews yet.