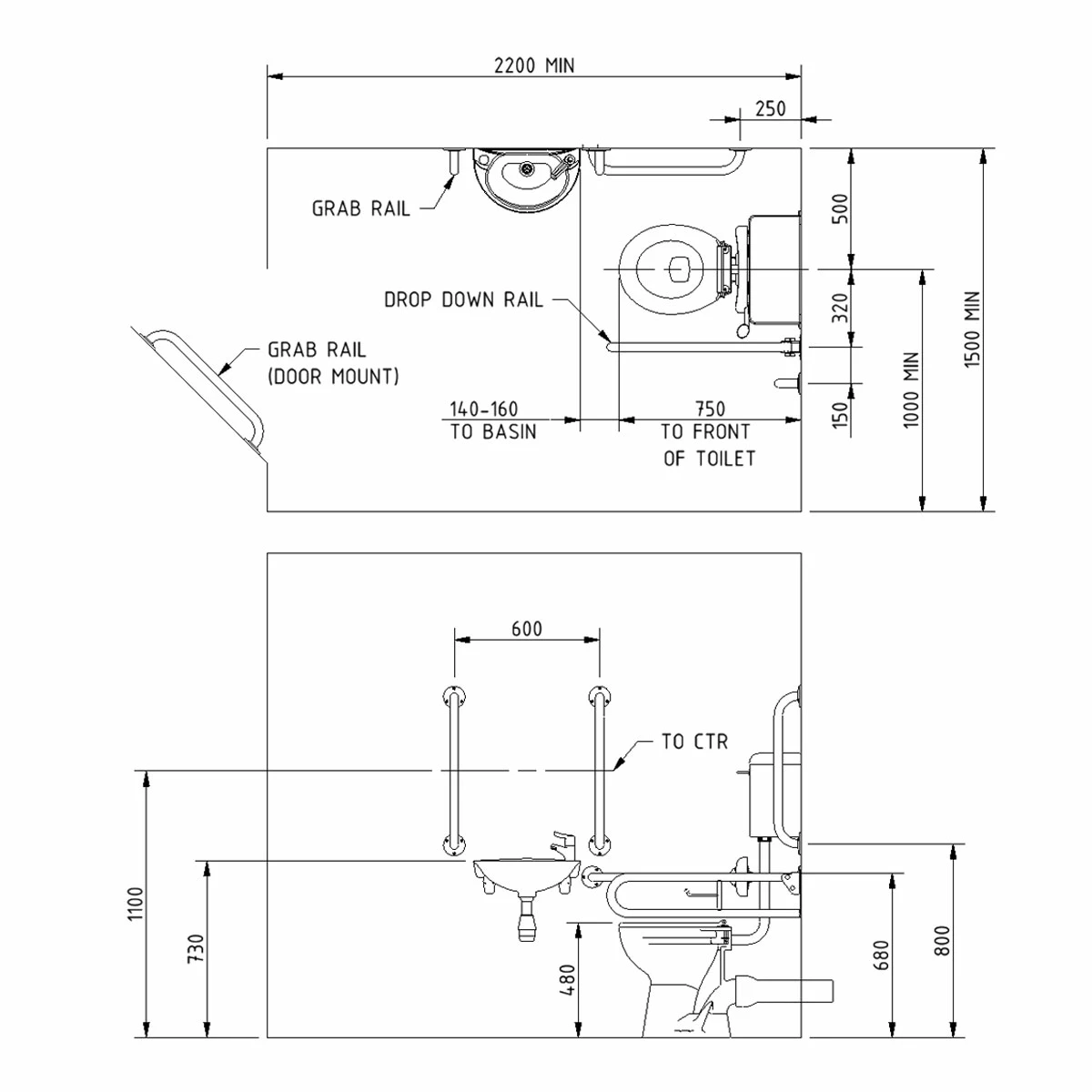
Doc M is short of Document M, the piece of legislation which lays out the standards for disabled toilets suitable for public use. This pack contains everything you need to install a disabled loo in any commercial premises such as a shop or cafe, ensuring it complies to the latest building regulations. Of course, if you’re in the market for an adapted toilet at home, this pack is equally suitable. The pack contains toilet with cistern and pan, basin, support rail with toilet roll holder and grab rails which can be arranged in the best way to support your customers given the configuration of your bathroom.
Too often, items which have been designed for a specific market niche are more expensive than the standard items but with Barwood Doc M pack is the exception to the rule. It offers outstanding value for money, and also comes with a 10 year guarantee from the manufacturer for additional peace of mind. Bring your business or home into line with the latest guidelines with the minimum of expense using this superb Barwood Doc M pack – you won’t regret it.
Product Features
- Image is for illustration purpose only
- Complies with Part M of the Building Regulations
- WRAS approved inlet valve and syphon
- Universal – suitable for left or right handed transfer
- Simple one box solution
- Bottle trap and mirror not included
- 5 x 600mm coated steel grab rails with exposed fixings
- 1 x 800mm coated steel hinged support rail with toilet roll holder
- 1 x 270mm coated steel back rest rail and pad with exposed fixings
- 1 x Low level box rim Doc M pan
- 1 x Low level cistern with fittings, flush pipe, and Doc M spatula lever
- 1 x Ring only toilet seat
- 1 x Two tap hole basin
- 1 x Sequential basin mixer tap
- 1 x Tap hole stopper
- 1 x Basin waste
- 1 x TMV3 Valve
- Guarantee: Lifetime on Toilet and Basin (2 Years on Toilet Seat, Tap, Grab Rails, Back Rest, and Thermostatic Mixing Valve)















Reviews
There are no reviews yet.