The Inta Standard Doc M 6L Low Level Pack White with Mixing Valve a complete DOC M pack from the care range of inta ideal for elderly and disabled individual. The Inta Doc M WC packs complies with the approved Document M of the Building Regulations and BS8300:2009.
Manufactured to the highest standards, this superb value Doc M pack comes complete with a Supplied with a Supplied with a 1 year guarantee from the manufacturer.
Product Features
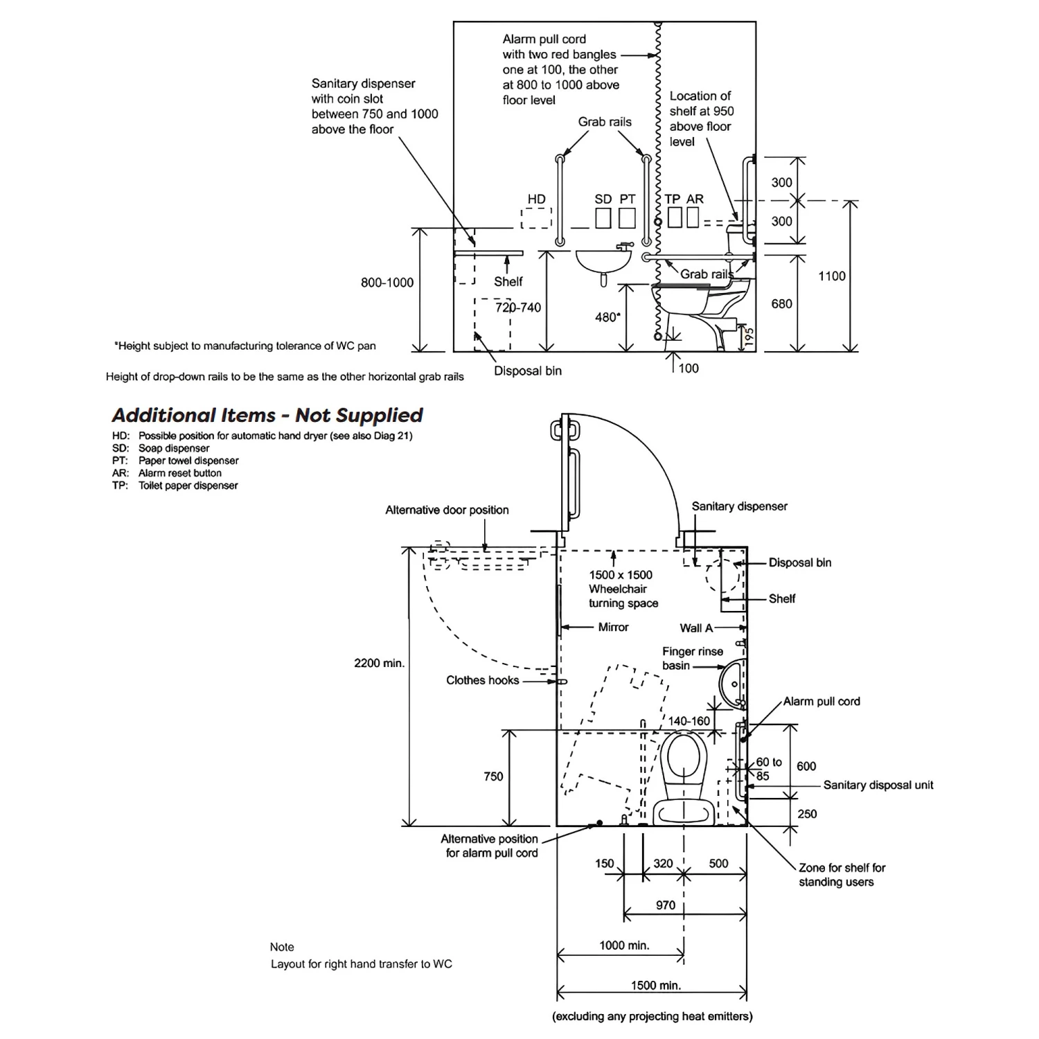
- The drawing on Dimensions tab illustrates a left hand layout, for right hand layouts this must be reversed
- Image is for illustration purpose only
- 1 x wall hung Basin
- Support rails [Grab Bars]
- Support rail with toilet roll holder
- Padded back rest
- Low level HO pan
- Plugged and screwed to the floor (Fixings not supplied)
- Supplied complete with toilet seat
- Seat ting and hinges
- 6ltr close coupled cistern & spatula lever
- Plugged and screwed to the wall (Fixings not supplied)
- Wall hung 450mm wide basin with predrilled 2 tap hole
- Lever operated basin mixer tap
- 1 1/4″ basin waste
- Include bottle trap
- Wall fixing brackets
- Tap hole stopper
- Mounted on brackets provided using suitable fixings (fixings not provided)
- 600mm support rails (x 5)
- Hinged support rail (x 1)
- Support rails comes exclusive in white finish
- Intamix TMV3 approved 15mm Thermostatic Mixing Valve
- Complies with document M of the Building Regulations and BS8300:2009
- Operating pressure range of 0.1 to 5 bar
- TMV3 approved shower
- Supplied with a 1 year guarantee from the manufacturer















Reviews
There are no reviews yet.