Product Features
- Exposed TMV3 lever operated shower valve
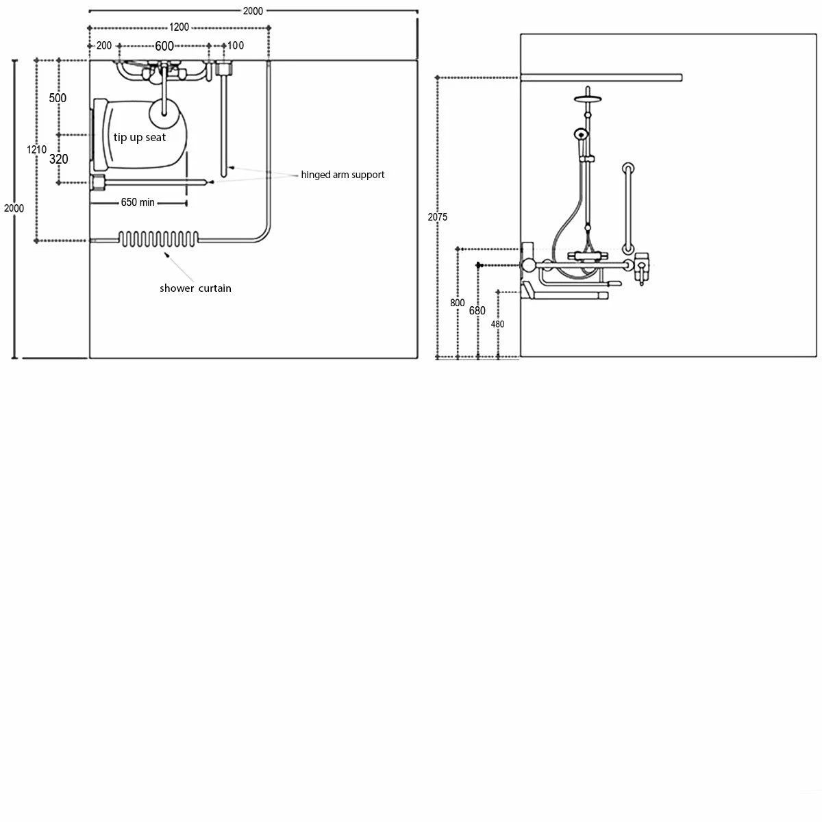
- Contour 21+ thermostatic exposed shower valve with fast fix wall bracket and thermal cleanse feature
- Idealrain Dual shower system with M1 rainshower, fixed riser, M3 handspray and diverter for exposed mixers
- Shower seat, folding 650mm projection fixed height
- Multi-System back support fixed height
- Contour 21 grab rail straight 60cm long x 35mm diameter
- Contour 21 grab rail straight 45cm long x 35mm diameter
- Contour 21 hinged support rail 80 x 35mm diameter, Doc M Compliant
- Multi-System shower curtain 1500x2000mm
- Contour 21 angled shower curtain rail 1200 x 1200mm
- Clothes hook screw to wall, plastic
- Category 5 hose retainer for wall fixing
- LABC & WRAS approved
- Guarantee: Lifetime (2 Year on all spare parts which are subject to normal wear and tear from the proof of purchase date. Does not cover consequential damage or loss)














Reviews
There are no reviews yet.